世界杯投注官网

您所在位置:首页 > 云浮市市场监督管理局 > 信息公开 > 行政公告 > 正文
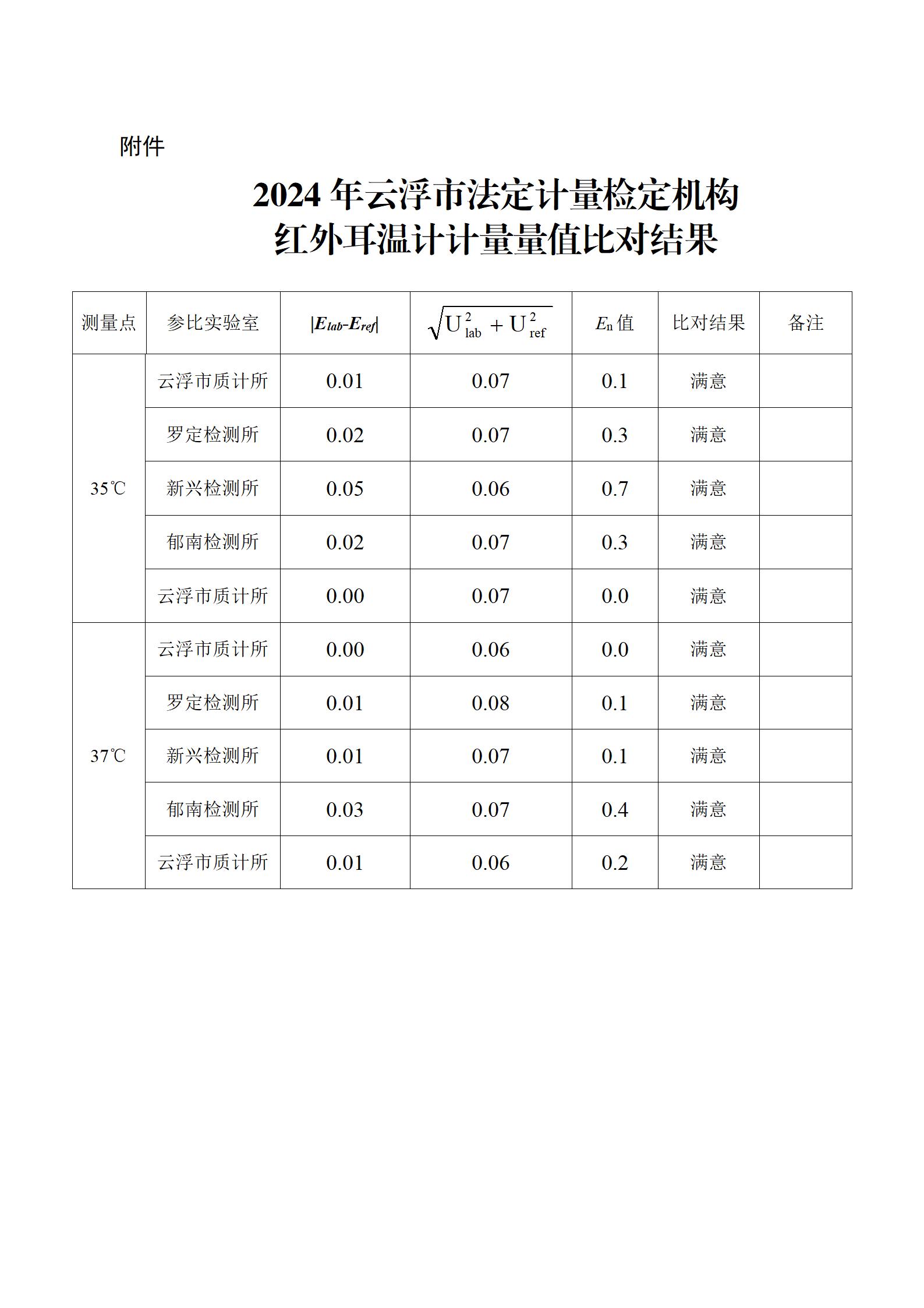
云浮市市场监督管理局关于全市法定计量检定机构红外耳温计计量量值比对结果的公示
发布日期:2024-08-02 16:01:43 信息来源:云浮市市场监督管理局
保护视力色:
字体大小:

2024.8.1(挂网)云浮市市场监督管理局关于全市法定计量检定机构红外耳温计计量量值比对结果的公示_01(2).jpg2024.8.1(挂网)云浮市市场监督管理局关于全市法定计量检定机构红外耳温计计量量值比对结果的公示_02(2).jpg2024.8.1(挂网)云浮市市场监督管理局关于全市法定计量检定机构红外耳温计计量量值比对结果的公示_03(2).jpg

TOP】 【打印本页】 【关闭窗口
分享到:

版权所有:世界杯投注官网  未经许可 不得擅自复制、镜像     网站地图    联系我们
维护单位: 云浮市市场监管局信息中心  您是第 1103029 位访客   粤公网安备 44530202000010号
ICP备案号:粤09015554号-1网站标识码:4453000050
建议使用IE9.0版本及以上浏览器、分辨率1280*960浏览本网站  

微信关注手机版

您访问的链接即将离开"云浮市市场监督管理局"网站 是否继续?